SILVER AUTOMATION INSTRUMENTS LTD.
Product Category

Flow Meter for Liquid Lithium/Sodium

Flow Meter for Liquid Lithium/Sodium

Related Products

  • High temperature Coriolis flow meter

    High temperature Coriolis flow meter Max temperature upto 350 °C( 662℉). Mass flow meter for all kinds fluids. Option with heating jacket For bitumen, liquid metal, hydrocarbon oil……
  • Low flow high viscosity flow meter

    Low flow high viscosity flow meter Oval gear flow meter and Coriolis mass flow meter are both suitable instruments for low flow and high viscosity flow rate measurement, the viscous fluids including: latex, crude oil, tooth paste ,resi...

What are Liquid Lithium and Sodium?

Liquid lithium (Li) and liquid sodium (Na) are both metal elements that are solid at room temperature and pressure but can become liquid under specific conditions.
- Liquid Lithium: Used primarily in lithium battery development, high-temperature thermal management systems, and certain nuclear energy applications.
- Liquid Sodium: Mainly used as a coolant in nuclear reactors and as a heat transfer fluid in certain chemical processes.

Despite their useful applications, measuring the flow of liquid lithium and sodium presents unique challenges due to their physical and chemical properties.

Challenges in Measuring Flow of Liquid Lithium and Sodium

1. High-Temperature flow Measurement Issues
Liquid lithium and sodium have relatively low melting points, with lithium melting at 180.5°C and sodium at 97.8°C. As a result, measurements often occur at high temperatures, which can cause conventional flow sensors, flow instruments, and electrical components to fail due to thermal expansion or poor connection reliability. Specialized high-temperature flow sensors and equipment are necessary to prevent these issues.

2. Thermal Stability
Liquid metals like lithium and sodium undergo significant temperature fluctuations, which can affect the accuracy of flow measurements. Measurement devices need to have strong thermal stability and adaptability to maintain precision under varying temperature conditions.

3. Density Variation with Temperature
The density of liquid lithium and sodium changes significantly with temperature, complicating flow measurements. Traditional volume-based flow measurement methods, like vortex flow meters and turbine flow meters, rely on the fluid's density. As the density of liquid metals changes, the accuracy of these flow measurement methods may be compromised, especially with traditional flow meters like turbine flow transmitters.

4. Viscosity Effects
While liquid lithium and sodium have relatively low viscosities, their viscosity can change with temperature, affecting their flow characteristics. This change in viscosity can interfere with the proper functioning of flow sensors and impact the overall measurement accuracy.

5. Difficult Selection of Measurement Methods
Due to the above challenges, many common flow measurement techniques such as turbine flow meters or variable area flow meters may not be suitable for liquid lithium and sodium. To address these issues, advanced flow measurement technologies, such as Coriolis mass flow meters are typically required.

Advantages of Coriolis Mass Flow Meters for Liquid Lithium and Sodium

Coriolis flow meters offer a unique and highly accurate solution for measuring the flow of liquid lithium and sodium, addressing the challenges posed by their properties.

1. High Accuracy can best achieve to 0.1% accuracy
Coriolis flow meters directly measure mass flow, unaffected by fluctuations in temperature, density, or pressure, making them ideal for liquids like lithium and sodium, which experience significant density and temperature variations.

2. Uninfluenced by Fluid Properties
Unlike other types of flow meters, Coriolis flow meters do not rely on the conductivity, viscosity, or flow velocity of the fluid. This makes them particularly effective for fluids with special flow characteristics like liquid lithium and sodium.

3. High-Temperature Compatibility
Coriolis flow meters can operate in high-temperature environments; it can max bear 350 degree C, making them suitable for measuring liquid metals, which typically operate at elevated temperatures. This capability is essential for accurate measurement in real-world applications.

Coriolis Flow Meter Technical Specifications

- Flow Measurement Range: Coriolis flow meters are versatile, capable of measuring from low flow rates to high flow rates in liquid metal applications.for example, our 3/8" mass flow meter can handle 1500 kg/hour lithium and sodium flow , our 1inch liquid mass flow meter can handle 13 ton/hr flow ,and our 2 inches mass flow meter can measure 33 t/h, 4 inch flow meter can measure 0-160 t/h flow. Contact sales@silverinstruments.com if you want your lithium and sodium flow ranges have suitable flow meter size.
- Temperature Resistance: These meters typically operate in temperature ranges from -200°C to +350°C, with some models able to withstand even higher temperatures. This range makes them suitable for liquid lithium (with a melting point of 180.5°C) and liquid sodium (with a melting point of 97.8°C).
- Pressure Rating: Coriolis flow meters can handle high-pressure environments, making them ideal for use in pressurized pipelines and sealed systems, our standard pressure rating for mass flow meter is 16 bar, if you want 25bar, 40 bar , 1000 psi ,2000 psi, we can all fit your demand.

- Coriolis flowmeter is capable of measuring challenging fluids, including molten lithium and sodium, which exhibit relatively high viscosity. This makes the Coriolis flowmeter particularly suitable for such measurements.

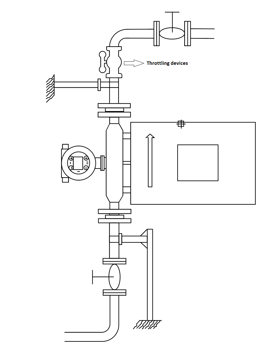
How to install liquid lithium/sodium flow meter?


Flag Installation is recommended when to measure high-viscosity fluids or liquid-solid two-phase fluids or easily solidified liquid, for example liquid lithium/sodium, flag installation will not affect the accuracy of Li & Na flow measurement accuracy , but the flow direction should from down to up.
Coriolis mass flowmeter working principle is vibration, so the installation location should be vibration-free as possible, solid support for the installation pipeline is needed.
If throttling devices needed, such as flow control valves, they must be installed at the outlet of the flow meters.

At the flow meter inlet and outlet, users should install glove valve which will be convenient for calibration after installed.

The flowmeter should be far away from the outlet of the pump, especially the reciprocating pump.

Conclusion

Coriolis mass flow meters offer significant advantages for measuring the flow of liquid lithium and sodium, including high accuracy, versatility, and resilience in high-temperature and high-pressure environments. These Coriolis flow transmitters are indispensable for industries that require precise mass flow measurement in challenging conditions, ensuring reliable and safe operations in applications ranging from energy production to advanced chemical processing.

By leveraging advanced measurement technology like Coriolis mass flow meters, industries can achieve highly accurate flow measurements, contributing to better process control, safety, and efficiency in handling liquid lithium and sodium.

Leave a Message Email Us

we will contact you within 24 hours..

Send us an email Email WhatsApp WA
Inquiry Inquiry
Let's chat on WhatsApp ×
Hello, welcome to silverinstruments.com, can I help you ?